W-2025SUS
Cat:SUS WHEEL CONVEYOR
Jenis D*w*d*b Aci Saiz bingkai H*w1*w2*w3*t ...
Penghantar roda, juga dikenali sebagai kereta api roller atau slideway roller, adalah alat yang sangat berkesan yang digunakan untuk pengendalian bahan dan talian pengeluaran automasi. Ia biasanya terdiri daripada penggelek dan kurungan. Penggelung ini menyokong dan membimbing beban untuk pergerakan lancar dalam arah yang ditentukan.

Jenis D*w*d*b Aci Saiz bingkai H*w1*w2*w3*t ...
| Jenis | D*w*d*b | Aci | Saiz bingkai H*w1*w2*w3*t | Ketinggian H | Panjang L. | Padang roda P | Memuatkan roda tunggal (kg) | Jenis bingkai |
| W-2025SUS | 20x25x6.1x27 | M6x35L | 25x30x9x39x1.5 | 27 | 1000 · 1500 · 2000 | 25 · 30 · 35 | 40 | A |

Jenis D*w*d*b Aci Saiz bingkai H*w1*w2*w3*t ...
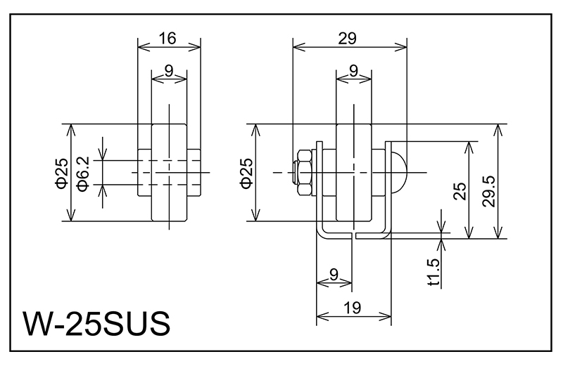
| Jenis | D*w*d*b | Aci | Saiz bingkai H*w1*w2*w3*t | Ketinggian H | Panjang L. | Padang roda P | Memuatkan roda tunggal (kg) | Jenis bingkai |
| W-25SUS | 25x9x6.2x16 | M6x25L | 25x19x9x29x1.5 | 29.5 | 1000 · 1500 · 2000 | 30 · 35 | 30 | A |

Jenis D*w*d*b Aci Saiz bingkai H*w1*w2*w3*t ...
| Jenis | D*w*d*b | Aci | Saiz bingkai H*w1*w2*w3*t | Ketinggian H | Panjang L. | Padang roda P | Memuatkan roda tunggal (kg) | Jenis bingkai |
| W-2523SUS | 25x23x8.2x25 | M8x35L | 25x28x9x40x1.5 | 29.5 | 1000 · 1500 · 2000 | 30 · 35 | 50 | A |

Jenis D*w*d*b Aci Saiz bingkai H*w1*w2*w3*t ...
| Jenis | D*w*d*b | Aci | Saiz bingkai H*w1*w2*w3*t | Ketinggian H | Panjang L. | Padang roda P | Memuatkan roda tunggal (kg) | Jenis bingkai |
| HG-W36SUS | 36x9x6.2x25 | M6x38L | 45x29x10x42x2.0 | 51 | 1800 · 2400 · 3000 | 50 · 75 · 100 · 150 | 40 | A |

Jenis D*w*d*b Aci Saiz bingkai H*w1*w2*w3*t ...
| Jenis | D*w*d*b | Aci | Saiz bingkai H*w1*w2*w3*t | Ketinggian H | Panjang L. | Padang roda P | Memuatkan roda tunggal (kg) | Jenis bingkai |
| W-36CS-SUS | 36x9x8.2x28 | M8x40L | 42x60x32x45x2.0 | 47 | 1800 · 2400 · 3000 | 50.75 · 100 · 150 | 40 | J |

Jenis D*w*d*b Aci Saiz bingkai H*w1*w2*w3*t ...
| Jenis | D*w*d*b | Aci | Saiz bingkai H*w1*w2*w3*t | Ketinggian H | Panjang L. | Padang roda P | Memuatkan roda tunggal (kg) | Jenis bingkai |
| W-36BW-SUS | 36x9x8.2x14 | M8x55L | 46x60x33 × 71 1.5 2.0 | 52 | 1800 · 2400 · 3000 | 50 · 75 · 100 · 150 | 40 | K |

Jenis D*w*d*b Aci Saiz bingkai H*w1*w2*w3*t ...
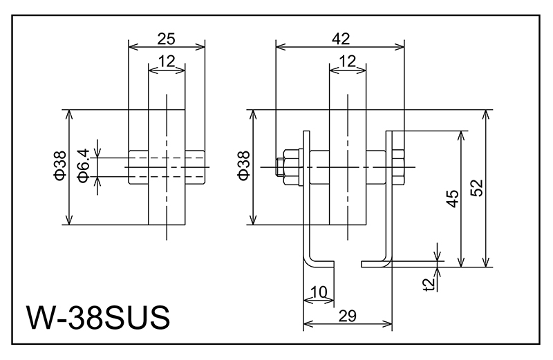
| Jenis | D*w*d*b | Aci | Saiz bingkai H*w1*w2*w3*t | Ketinggian H | Panjang L. | Padang roda P | Memuatkan roda tunggal (kg) | Jenis bingkai |
| W-38SUS | 38x12x6.4x25 | M6x38L | 45x29x10x42x2.0 | 52 | 1800 · 2400 · 3000 | 50 · 75 · 100 · 150 | 20 | A |

Jenis D*w*d*b Aci Saiz bingkai H*w1*w2*w3*t ...
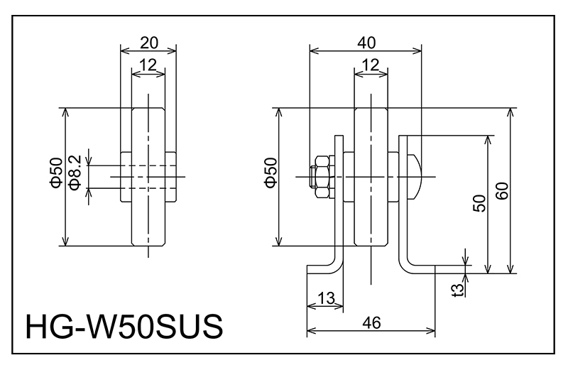
| Jenis | D*w*d*b | Aci | Saiz bingkai H*w1*w2*w3*t | Ketinggian H | Panjang L. | Padang roda P | Memuatkan roda tunggal (kg) | Jenis bingkai |
| HG-W50SUS | 50x12x8.2x20 | M8x35L | 50x46x13x40x3.0 | 60 | 1800 · 2400 · 3000 | 75 · 100 · 150 · 200 | 80 | C |

Jenis D*w*d*b Aci Saiz bingkai H*w1*w2*w3*t ...
| Jenis | D*w*d*b | Aci | Saiz bingkai H*w1*w2*w3*t | Ketinggian H | Panjang L. | Padang roda P | Memuatkan roda tunggal (kg) | Jenis bingkai | Getah |
| W-30RB | 30x9x6.2x16 | M6x27L | 25x19.2x9x31x1.6 | 33 | 1000 · 1500 · 2000 | 35 | 25 | A | NBR |

Jenis D*w*d*b Aci Saiz bingkai H*w1*w2*w3*t ...
| Jenis | D*w*d*b | Aci | Saiz bingkai H*w1*w2*w3*t | Ketinggian H | Panjang L. | Padang roda P | Memuatkan roda tunggal (kg) | Jenis bingkai | Getah |
| W-3812R | 38x28x12.2x32 | M12X50L | 35x38.4x13x58x3.2 | 43 | 1000 · 1500 · 2000 | 40 · 70 · 100 | 80 | A | NBR |

Jenis D*w*d*b Aci Saiz bingkai H*w1*w2*w3*t ...
| Jenis | D*w*d*b | Aci | Saiz bingkai H*w1*w2*w3*t | Ketinggian H | Panjang L. | Padang roda P | Memuatkan roda tunggal (kg) | Jenis bingkai | Getah |
| W-40RS | 40x9x8.2x28 | M8x40L | 42.3x60x32.6x45x2.3 | 49.3 | 1800 · 2400 · 3000 | 50 · 75 · 100 · 150 | 20 | J | NBR |

Jenis D*w*d*b Aci Saiz bingkai H*w1*w2*w3*t ...
| Jenis | D*w*d*b | Aci | Saiz bingkai H*w1*w2*w3*t | Ketinggian H | Panjang L. | Padang roda P | Memuatkan roda tunggal (kg) | Jenis bingkai | Getah |
| WB-40RS | 40x9x8.2x28 | M8x40L | 42.3x60x31.2x45 × 23 | 51.3 | 1800 · 2400 · 3000 | 50 · 75 · 100 | 20 | F | NBR |
Mengapa Penyelenggaraan Penghantar Roller Secara Terus Menjejas Jangka Hayat Sistem ...
Baca lebih lanjutApa yang Menjadikan Penghantar Penggelek Benar-Benar Bertugas Berat? Penghantar penggele...
Baca lebih lanjutApakah Penghantar Roller dan Mengapa Jenisnya Penting? Penghantar penggelek ial...
Baca lebih lanjutMengapa Penghantar Roller Kekal Tulang Belakang Pengendalian Bahan Penghantar pengge...
Baca lebih lanjutSistem penghantar memindahkan berjuta-juta tan bahan setiap hari merentasi kilang, gu...
Baca lebih lanjutPetua penyelenggaraan dan penjagaan untuk penghantar roda
Semasa operasi jangka panjang, penghantar boleh mengumpul habuk, minyak, dan serpihan lain, yang bukan sahaja akan meningkatkan geseran tetapi juga menyebabkan memakai penggelek dan trek. Oleh itu, pembersihan harian harus termasuk menggunakan tekanan udara atau alat khas untuk menghilangkan serpihan dari permukaan roller untuk memastikan hubungan yang lancar antara roller dan trek. Terutama apabila berurusan dengan garis pengeluaran dengan bahan melekit atau dalam persekitaran yang berdebu, kekerapan pembersihan perlu ditingkatkan. Di samping itu, kerap memeriksa keadaan penggelek dan penggelek untuk memastikan bahawa mereka tidak cacat atau rosak adalah langkah penting dalam mencegah kegagalan.
Rollers dan kurungan akan menjana geseran semasa operasi. Kekurangan pelinciran jangka panjang akan menyebabkan haus yang berlebihan dan bahkan menjejaskan bahagian. Memilih pelincir yang betul dan pelincir secara teratur mengikut kekerapan penggunaan secara berkesan dapat mengurangkan haus bahagian mekanikal dan memastikan peralatan berjalan lancar. Umumnya, pelinciran penggelek dan galas perlu diperiksa setiap tiga bulan untuk memastikan setiap bahagian berputar dilincirkan sepenuhnya. Di samping itu, pelinciran yang betul bukan sahaja boleh mengurangkan haus tetapi juga mengurangkan bunyi semasa operasi peralatan, mewujudkan persekitaran kerja yang lebih tenang.
Semak beban penghantar dengan kerap untuk memastikan ia beroperasi dalam julat beban yang diberi nilai. Beban boleh menyebabkan kerosakan atau ubah bentuk penggelek atau menyebabkan kegagalan yang lebih serius. Oleh itu, adalah perlu untuk memeriksa secara kerap setiap sistem penghantaran untuk memastikan ia berada dalam keadaan kerja yang normal, tidak longgar, dan tidak menghasilkan bunyi yang tidak normal. Untuk menyampaikan sistem yang sering membawa objek berat, sangat penting untuk memeriksa dan menggantikan komponen utama seperti rantaian penghantaran, penggelek, dan tali pinggang.
Di Wuxi Huiqian Logistics Machinery Manufacturing Co., Ltd., kami memahami kepentingan peralatan berkualiti tinggi dalam mengekalkan operasi yang cekap dan boleh dipercayai. Ditubuhkan dengan mengintegrasikan teknologi dan kepakaran Jepun yang maju, syarikat kami mengkhususkan diri dalam pengeluaran dan jualan penggelek, penghantar roller, penghantar tali pinggang, sangkar penyimpanan, troli logistik, penghantar mini, bingkai, dan rak. Terletak di Daerah Pembangunan Teknologi Hi-Tech Kebangsaan Wuxi, kemudahan kami dilengkapi dengan sistem pengurusan kualiti yang mantap, tenaga kerja mahir, dan peralatan pemprosesan terkini.
Kami penghantar roda , khususnya, direka dengan teknologi canggih dan dihasilkan menggunakan bahan mentah berkualiti tinggi di bawah kawalan kualiti yang ketat. Penghantar ini bukan sahaja melakukan yang sangat baik dalam kapasiti beban tetapi juga mengoptimumkan hubungan antara penggelek dan trek, memastikan kestabilan material semasa proses penyampaian sambil mengurangkan penggunaan dan penggunaan tenaga. Melalui reka bentuk produk yang bijak dan kawalan proses yang tepat, penghantar kami mengekalkan operasi stabil jangka panjang walaupun dalam persekitaran kerja yang keras, meminimumkan kekerapan penyelenggaraan dan menurunkan kos operasi untuk perniagaan.
Aplikasi tersembunyi penghantar roda dalam kehidupan seharian
Ramai orang mungkin tidak menyedari bahawa setiap kali mereka berbelanja, barang diangkut dari gudang ke rak atau bahkan terus ke kaunter checkout, yang tidak dapat dipisahkan dari sokongan sistem penghantar. Di pasar raya, pusat membeli -belah, dan pusat pengedaran, sejumlah besar penghantar roda secara diam -diam beroperasi, membantu kakitangan mengangkut barangan ke lokasi yang ditetapkan melalui trek rolling. Penghantar roda ini bukan sahaja meningkatkan kecekapan operasi tetapi juga mengurangkan intensiti buruh pengendalian manual, meminimumkan potensi kesilapan dan kerugian. Pada masa yang sama, reka bentuk mereka menekankan kestabilan dan ketahanan, membolehkan mereka beroperasi dengan cekap dalam persekitaran kerja yang sibuk untuk memastikan barang -barang ditangguhkan dan diedarkan tepat pada masanya.
Aplikasi yang sama juga boleh didapati di pusat pembuatan, pergudangan, dan penyortiran. Terutama dalam sistem logistik moden, penghantar roda adalah komponen yang sangat diperlukan. Mereka memastikan proses logistik yang lancar dengan membawa dan membimbing sejumlah besar bungkusan, bahagian, dan barangan. Dalam bidang ini, penghantar roda mengendalikan pelbagai beban, dari bungkusan kecil ke barangan berat, yang boleh diangkut dengan lancar melalui sistem roller yang direka bentuk. Terutama semasa musim cuti puncak atau tempoh promosi, pusat gudang dan logistik sangat bergantung pada penghantar roda. Kapasiti aliran barangan yang cekap mereka berkesan menghalang kelewatan pengangkutan.
Di Wuxi Huiqian Logistics Machinery Manufacturing Co., Ltd., kami bangga menyumbang kepada operasi logistik penting ini. Ditubuhkan dengan mengintegrasikan teknologi dan kepakaran Jepun yang maju, syarikat kami mengkhususkan diri dalam pengeluaran dan jualan penggelek berkualiti tinggi, penghantar roller, penghantar tali pinggang, sangkar penyimpanan, troli logistik, penghantar mini, bingkai, dan rak. Berasaskan di Daerah Pembangunan Teknologi Hi-Tech Nasional Wuxi, kemudahan kami dilengkapi dengan sistem pengurusan kualiti yang mantap, tenaga kerja mahir, dan peralatan pemprosesan maju, memastikan setiap produk memenuhi standard kualiti dan prestasi tertinggi.
Penghantar roda kami, khususnya, mempamerkan kelebihan yang besar dalam senario aplikasi harian ini. Dikeluarkan menggunakan teknologi canggih dan bahan roller premium, mereka boleh mengendalikan bahan -bahan pelbagai berat dan bentuk semasa beroperasi stably dalam persekitaran yang kompleks. Sama ada ia adalah tetapan runcit komersial yang memerlukan operasi frekuensi tinggi atau bidang pergudangan dan logistik yang menuntut kelajuan dan ketepatan, penghantar roda kami menyediakan penyelesaian pengangkutan bahan yang cekap, licin, dan boleh dipercayai. Melalui reka bentuk yang inovatif dan kawalan kualiti yang ketat, produk kami menyokong perniagaan dalam mencapai operasi logistik yang lancar, mengurangkan kos, dan meningkatkan produktiviti.
Membawa ketukangan ke masa depan.
No.60, Zhenhu North Road, Hudai Town, Daerah Binhu, Wuxi 214100, China