HR-TC220
Cat:Penghantar roller tirus
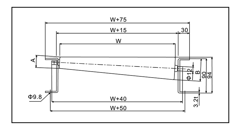
Lebar w (mm) 200 A (φ) Diameter 31.3 ...
Struktur lanjutan, prestasi berkualiti tinggi, mudah digunakan, kebolehpercayaan dan ketahanan yang tinggi.
Juga dikenali sebagai penghantar roller lengkung, penghantar roller tirus membolehkan sudut bertukar 30, 45, 60, 90, dan 180 darjah. Ia digunakan terutamanya untuk perubahan arah dalam garisan penghantar, dengan 30, 45, dan 60 darjah sering digunakan untuk cawangan dan penggabungan penghantar. Penghantar ini adalah jenis ringan dengan kapasiti beban umumnya tidak melebihi 200 kg.
| R | Jenis \ lebar | 200 | 300 | 400 | 500 | 600 | 700 | 800 | 900 | 1000 | 1100 | 1200 | Padang roller |
| 220 | HR-TC220 | ○ | - | - | - | - | - | - | - | - | - | - | 50,75,100 |
| 320 | HR-TC320 | - | ○ | - | - | - | - | - | - | - | - | - | 50,75,100 |
| 500 | HR-TC500A | - | ○ | ○ | ○ | ○ | ○ | - | - | - | - | - | 75 |
| 700 | HR-TC700 | ○ | ○ | ○ | ○ | ○ | - | - | - | - | - | - | 75,100,150 |
| 900 | HR-TCN | - | ○ | ○ | ○ | ○ | ○ | ○ | - | - | - | - | 75,100,150 |
| HR-TC900 | ○ | ○ | ○ | ○ | ○ | - | - | - | - | - | - | 75,100,150 | |
| HR-TC900A | - | ○ | ○ | ○ | ○ | ○ | ○ | - | - | - | - | 75,100 | |
| HR-TCL | - | - | - | - | - | - | - | ○ | ○ | ○ | ○ | 75,100,150,200 | |
| 1200 | HR-TC1200 | ○ | ○ | ○ | ○ | ○ | - | - | - | - | - | - | 75,100,150 |
| HR-TC1200A | - | - | - | - | - | - | ○ | ○ | ○ | ○ | ○ | 75.100 | |
| 1600 | HR-TC1600 | - | - | ○ | ○ | ○ | ○ | ○ | - | - | - | - | 75,100,150,200 |

Lebar w (mm) 200 A (φ) Diameter 31.3 ...
| Lebar w (mm) | 200 | |
| A (φ) | Diameter | 31.3 |
| Ketebalan | 3.5 | |
| B (φ) | Diameter | 60.5 |
| Ketebalan | 2.0 | |
| Memuatkan roller (kg) | 100 | |

Lebar w (mm) 300 A (φ) Diameter 31.2 ...
| Lebar w (mm) | 300 | |
| A (φ) | Diameter | 31.2 |
| Ketebalan | 3.6 | |
| B (φ) | Diameter | 60.5 |
| Ketebalan | 2.1 | |
| Memuatkan roller (kg) | 100 | |

Lebar w (mm) 300 400 500 600 700...
| Lebar w (mm) | 300 | 400 | 500 | 600 | 700 | 800 | |
| A (φ) | Diameter | 42.7 | 42.7 | 42.7 | 42.7 | 42.7 | 42.7 |
| Ketebalan | 3.2 | 3.2 | 3.1 | 3.1 | 3.1 | 3.1 | |
| B (φ) | Diameter | 56.8 | 61.3 | 66.4 | 71.3 | 76.2 | 80.0 |
| Ketebalan | 2.1 | 2.1 | 2.1 | 2.1 | 2.0 | 2.0 | |
| Memuatkan roller (kg) | 100 | 90 | 85 | 76 | 59 | 54 | |

Lebar w (mm) 900 1000 1100 1200 ...
| Lebar w (mm) | 900 | 1000 | 1100 | 1200 | |
| A (φ) | Diameter | 42.7 | 42.7 | 42.7 | 42.7 |
| Ketebalan | 3.5 | 3.8 | 4.5 | 4.5 | |
| B (φ) | Diameter | 86.7 | 91.0 | 95.3 | 100.0 |
| Ketebalan | 2.0 | 1.8 | 2.0 | 1.8 | |
| Memuatkan roller (kg) | 110 | 95 | 87 | 80 | |

Lebar w (mm) 200 300 400 500 600...
| Lebar w (mm) | 200 | 300 | 400 | 500 | 600 | |
| A (φ) | Diameter | 41.3 | 41.3 | 41.3 | 41.3 | 41.3 |
| Ketebalan | 3.3 | 3.3 | 3.3 | 3.3 | 3.3 | |
| B (φ) | Diameter | 52.2 | 57.6 | 63.1 | 68.6 | 74.0 |
| Ketebalan | 2.5 | 2.4 | 2.4 | 2.3 | 2.3 | |

Lebar w (mm) 200 300 400 500 600...
| Lebar w (mm) | 200 | 300 | 400 | 500 | 600 | |
| A (φ) | Diameter | 45.0 | 45.0 | 45.0 | 45.0 | 45.0 |
| Ketebalan | 3.2 | 3.2 | 3.2 | 3.2 | 3.2 | |
| B (φ) | Diameter | 54.9 | 59.9 | 64.9 | 69.8 | 74.8 |
| Ketebalan | 2.2 | 2.2 | 2.1 | 2.1 | 2.0 | |

Lebar w (mm) 200 300 400 500 600...
| Lebar w (mm) | 200 | 300 | 400 | 500 | 600 | |
| A (φ) | Diameter | 48.0 | 48.0 | 48.0 | 48.0 | 48.0 |
| Ketebalan | 3.1 | 3.1 | 3.1 | 3.1 | 3.1 | |
| B (φ) | Diameter | 56.8 | 61.2 | 65.7 | 70.1 | 74.5 |
| Ketebalan | 2.3 | 2.3 | 2.2 | 2.2 | 2.1 | |

Lebar w (mm) 400 500 600 700 800...
| Lebar w (mm) | 400 | 500 | 600 | 700 | 800 | |
| A (φ) | Diameter | 50.0 | 50.0 | 50.0 | 50.0 | 50.0 |
| Ketebalan | 3.0 | 3.0 | 3.0 | 3.0 | 3.0 | |
| B (φ) | Diameter | 63.0 | 66.3 | 69.5 | 72.8 | 76.0 |
| Ketebalan | 2.3 | 2.2 | 2.2 | 2.1 | 2.0 | |

Lebar w (mm) 300 400 500 600 700...
| Lebar w (mm) | 300 | 400 | 500 | 600 | 700 | 800 | |
| A (φ) | Diameter | 42 | 42 | 42 | 42 | 42 | 42 |
| Ketebalan | 2 | 2 | 2 | 2 | 2 | 2 | |
| B (φ) | Diameter | 79 | 91 | 103 | 116 | 128 | 140 |
| Ketebalan | 20.5 | 26.5 | 32.5 | 39.0 | 45.0 | 51.0 | |

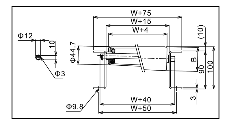
Lebar w (mm) 200 300 400 500 600...
| Lebar w (mm) | 200 | 300 | 400 | 500 | 600 | 700 | |
| A (φ) | Diameter | 44.7 | 44.7 | 44.7 | 44.7 | 44.7 | 44.7 |
| Ketebalan | 3.5 | 3.5 | 3.5 | 3.5 | 3.5 | 3.5 | |
| B (φ) | Diameter | 54.6 | 59.6 | 64.5 | 69.5 | 74.4 | 75 |
| Ketebalan | 2.4 | 2.3 | 2.3 | 2.2 | 2.2 | 2.2 | |

Jenis Tanda Ketegaran Rintangan haba Rintang...
| Jenis | Tanda | Ketegaran | Rintangan haba | Rintangan sejuk | Rintangan minyak | Pakai rintangan | |||
| Getah asli | Nr | Kira -kira 60 | 120C | -50 ° ℃ | X | O | |||
| Ding Nitrile Rubber | Nbr | Kira -kira 60 | 130C ° | -10 ° C. | O | O | |||
| Getah poliuretana | Pu | Kira -kira 90 | 80C ° | -30 ° C. | O | O | |||
| Getah asli | Ding Nitrile Rubber | Roller | Diameter*ketebalan*diameter paksi | Lebar roller | |||||
| RR-4812p | RRG-4812P | R-3812p | 48*5*12 | 100 ~ 1500 | |||||
| RR-4816 | RRG-4816 | R-3816 | 48*5*12 | 100 ~ 1500 | |||||
| RR-6721P | RRG-6721P | R-5721P | 67*5*12 | 100 ~ 1500 | |||||

Jenis penyaduran Kelebihan Ketebalan penyaduran El...
| Jenis penyaduran | Kelebihan | Ketebalan penyaduran |
| Electric Galvanized | Zink putih, zink putih putih, kromium trivalen | Lebih daripada 5 mikron |
| Penyaduran krom keras | Kekerasan tinggi | Lebih daripada 3 mikron |
Mengapa Penyelenggaraan Penghantar Roller Secara Terus Menjejas Jangka Hayat Sistem ...
Baca lebih lanjutApa yang Menjadikan Penghantar Penggelek Benar-Benar Bertugas Berat? Penghantar penggele...
Baca lebih lanjutApakah Penghantar Roller dan Mengapa Jenisnya Penting? Penghantar penggelek ial...
Baca lebih lanjutMengapa Penghantar Roller Kekal Tulang Belakang Pengendalian Bahan Penghantar pengge...
Baca lebih lanjutSistem penghantar memindahkan berjuta-juta tan bahan setiap hari merentasi kilang, gu...
Baca lebih lanjutMembawa ketukangan ke masa depan.
No.60, Zhenhu North Road, Hudai Town, Daerah Binhu, Wuxi 214100, China







