Roller pemacu sproket baris tunggal
Cat:Sprocket Drive Roller
Jenis Saiz roller Lebar roller Bahan roller ...
Struktur lanjutan, prestasi berkualiti tinggi, mudah digunakan, kebolehpercayaan dan ketahanan yang tinggi.
Pemacu pemacu boleh menjadi konfigurasi pemancuan tunggal atau berganda. Penggelek pemacu gegerakan berganda lebih biasa dan menawarkan pelbagai kapasiti beban berdasarkan diameter roller, ketebalan dinding, dan spesifikasi sproket, dengan keserasian untuk sprocket standard Eropah, Amerika, dan kebangsaan.

Jenis Saiz roller Lebar roller Bahan roller ...
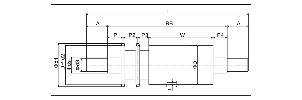
| Jenis | Saiz roller | Lebar roller | Bahan roller | Galas | Diameter aci | Saiz pelapik | Hancurkan | d | d2 | A | B | W1 | Bb |
| KR-384010S | 38.1 × 2.3 | 100 ~ 800 | Stkm | 6001zz · 6201Z | 12.0 | 18 × 12.2 × 26 | #40 × 10ts | 46 | 41.1 | 12 | 14 | W-1 | W 28 |
| KR-424010S | 42.7 × 2.3 | 100 ~ 800 | Stkm | 6001zz · 6201Z | 12.0 | 18x12.2 × 26 | #40 × 10ts | 46 | 41.1 | 12 | 14 | W | W 28 |
| KR-484010S | 48.6 × 3.5 | 100 ~ 800 | SGP40A | 6001zz · 6201Z | 12.0 | 18 × 12.2 × 26 | #40 × 10ts | 46 | 41.1 | 12 | 11 | W 5 | W 28 |
| KR-504010S | 50.8 × 1.6 | 100 ~ 800 | Stkm | 6001zz · 6201Z | 12.0 | 18 × 12.2 × 26 | #40 × 10ts | 46 | 41.1 | 12 | 13 | W-1 | W 28 |
| KR-574010S | 57.1 × 2.1 | 100 ~ 1000 | Stkm | 6001zz · 6201Z | 12.0 | 18 × 12.2 × 26 | #40 × 10ts | 46 | 41.1 | 12 | 13 | W | W 28 |
| KR-604010S | 60.5 × 2.3 | 100 ~ 1000 | Stkm | 6001zz · 6201Z | 12.0 | 18 × 12.2 × 26 | #40 × 10ts | 46 | 41.1 | 12 | 13 | W | W 28 |
| KR-605011S | 60.5 × 3. | 100 ~ 1000 | SGP50A | 6002zz | 15.0 | 21 × 15.2 × 41.5 · 21 × 15.2 × 12 | #50 × 11ts | 63 | 56.35 | 20 | 18 | W 3 | W 48 |
| KR-765011S | 76.3 × 4.2 | 100 ~ 1000 | SGP65A | 6002zz | 15.0 | 21 × 15.2 × 41.5 · 21 × 152 × 12 | #50 × 11ts | 63 | 56.35 | 20 | 18 | W 2 | W 48 |
| KR-605013S | 60.5 × 3.8 | 100 ~ 1000 | SGP50A | 6004zz | 20.0 | 29 × 20.2 × 38.5 · 29 × 20.2 × 15 | #50 × 13ts | 73 | 66.34 | 20 | 18 | W 1 | W 48 |
| KR-765013S | 76.3 × 4.2 | 100 ~ 1000 | SGP65A | 6004zz | 20.0 | 29x20.2x38.5 · 29 × 20.2 × 15 | #50 × 13ts | 73 | 66.34 | 20 | 18 | W 2 | W 48 |
| KR-895013S | 89.1 × 4.2 | 100 ~ 1000 | SGP80A | 6004zz | 20.0 | 29 × 20.2x38.5 · 29 × 202x15 | #50 × 13ts | 73 | 66.34 | 20 | 18 | W | W 48 |
| KR-1146014S | 114.3 × 4.5 | 300 ~ 2000 | SGP100A | 6205zz | 25.0 | 35 × 26 × 19 · 35 × 26 × 21 | #60 × 14TS | 93 | 85.61 | 20 | 23 | W | W 58 |
| KR-1406016S | 139.8 × 4.5 | 300 ~ 2000 | SGP125A | 6206zz | 30.0 | 38 × 31.1 × 19 · 38 × 31.1 × 21 | #60 × 16ts | 107 | 97.65 | 20 | 23 | W | W 58 |

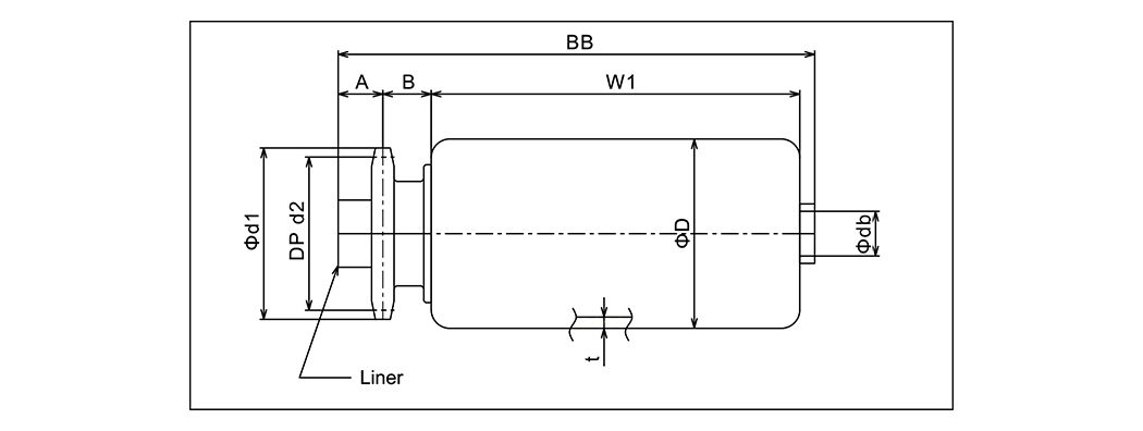
Jenis Saiz roller Lebar roller Bahan roller ...
| Jenis | Saiz roller | Lebar roller | Bahan roller | Galas | Diameter aci | Saiz pelapik | Hancurkan | d1 | d2 | A | B | C | W1 | Bb |
| KR-384010SW | 38.1 × 2.3 | 100 ~ 800 | Stkm | 6001zz · 6201Z | 12.0 | 18 × 12.2 × 53 | #40 × 10TSW | 46 | 41.1 | 12 | 23 | 18 | W-1 | W 58 |
| KR-424010SW | 42.7 × 2.3 | 100 ~ 800 | Stkm | 6001zz · 6201Z | 12.0 | 18 × 12.2 × 53 | #40 × 10TSW | 46 | 41.1 | 12 | 23 | 18 | W | W 58 |
| KR-484010SW | 48.6 × 3.5 | 100 ~ 800 | SGP40A | 6001zz · 6201Z | 12.0 | 18 × 12.2 × 53 | #40 × 10TSW | 46 | 41.1 | 12 | 23 | 15 | W 5 | W 58 |
| KR-504010SW | 50.8 × 1.6 | 100 ~ 800 | Stkm | 6001zz · 6201Z | 12.0 | 18 × 12.2 × 53 | #40x10TSW | 46 | 41.1 | 12 | 23 | 18 | W-1 | W 58 |
| KR-574010SW | 57.1 × 2.1 | 100 ~ 1000 | Stkm | 6001zz · 6201Z | 12.0 | 18 × 12.2 × 53 | #40 × 10TSW | 46 | 41.1 | 12 | 23 | 18 | W | W 58 |
| KR-604010SW | 60.5 × 2.3 | 100 ~ 1000 | Stkm | 6001zz · 6201Z | 12.0 | 18 × 12.2 × 53 | #40 × 10TSW | 46 | 41.1 | 12 | 23 | 18 | W | W 58 |
| KR-605011SW | 60.5 × 3.8 | 100 ~ 1000 | SGP50A | 6002zz | 15.0 | 21x15.2 × 66.5 · 21 × 15.2x12 | #50 × 11TSW | 63 | 56.35 | 20 | 25 | 18 | W 3 | W 7 |
| KR-765011SW | 76.3 × 4.2 | 100 ~ 1000 | SGP65A | 6002zz | 15.0 | 21 × 15.2 × 66.5 · 21 × 15.2 × 12 | #50 × 11TSW | 63 | 56.35 | 20 | 25 | 18 | W 2 | W 73 |
| KR-605013SW | 60.5 × 3.8 | 100 ~ 1000 | SGP50A | 6004zz | 20.0 | 29 × 20.2 × 63.5 · 29 × 20.2 × 15 | #50 × 13TSW | 73 | 66.34 | 20 | 25 | 18 | W 1 | W 73 |
| KR-765013SW | 76.3 × 4.2 | 100 ~ 1000 | SGP65A | 600422 | 20.0 | 29 × 20.2 × 63.5 · 29 × 20.2x15 | #50 × 13TSW | 73 | 66.34 | 20 | 25 | 18 | W 2 | W 73 |
| KR-895013SW | 89.1 × 4.2 | 100 ~ 1000 | SGP80A | 6004zz | 20.0 | 29 × 20.2 × 63.5 · 29 × 20.2 × 15 | #50 × 13TSW | 73 | 66.34 | 20 | 25 | 18 | W | W 73 |

Jenis Saiz roller Rollerwidth Roller Matenal ...
| Jenis | Saiz roller | Rollerwidth | Roller Matenal | Bearng | Diameter aci | Hancurkan | d1 | d2 | d3 | A | L. | Bb | P1 | P2 | P3 | P4 |
| KPR-574015SW | 57.2 × 2.6 | 300 ~ 2000 | Stkm | UCPA204 | 25xW 152 | #40 × 15TSW | 67 | 61.08 | 20 | 33 | W 152 | W 86 | 24 | 23 | 17 | 22 |
| KPR-604015SW | 60.5 × 3.8 | 300 ~ 2000 | Stkm | UCPA204 | 25xW 152 | #40 × 15TSW | 67 | 61.08 | 20 | 33 | W 152 | W 86 | 24 | 23 | 17 | 22 |
| KPR-765013SW | 76.3 × 4.2 | 300 ~ 2000 | SGP65A | UCPA204 | 25xW 163 | #50 × 13TSW | 73 | 66.34 | 20 | 33 | W 163 | W 97 | 32 | 25 | 18 | 22 |
| KPR-895013SW | 89.1 × 4.2 | 300 ~ 2000 | SGP80A | UCPA206 | 35XW 169 | #50 × 13TSW | 73 | 66.34 | 30 | 39 | W 169 | W 91 | 29 | 25 | 18 | 19 |
| KPR-1015018SW | 101.6 × 4.5 | 300 ~ 2000 | SGP90A | UCPA206 | 35XW 169 | #50 × 18TSW | 98 | 91.42 | 30 | 39 | W 169 | W 91 | 29 | 25 | 18 | 19 |
| KPR-1145018SW | 114.3 × 4.5 | 300 ~ 2000 | SGP100A | UCPA206 | 35XW 169 | #50 × 18TSW | 98 | 91.42 | 30 | 39 | W 169 | W 91 | 29 | 25 | 18 | 19 |
| KPR-1405018SW | 139.8 × 4.5 | 300 ~ 2000 | SGP125A | UCPA206 | 35XW 169 | #50 × 18TSW | 98 | 91.42 | 30 | 39 | W 169 | W 91 | 29 | 25 | 18 | 19 |
Mengapa Penyelenggaraan Penghantar Roller Secara Terus Menjejas Jangka Hayat Sistem ...
Baca lebih lanjutApa yang Menjadikan Penghantar Penggelek Benar-Benar Bertugas Berat? Penghantar penggele...
Baca lebih lanjutApakah Penghantar Roller dan Mengapa Jenisnya Penting? Penghantar penggelek ial...
Baca lebih lanjutMengapa Penghantar Roller Kekal Tulang Belakang Pengendalian Bahan Penghantar pengge...
Baca lebih lanjutSistem penghantar memindahkan berjuta-juta tan bahan setiap hari merentasi kilang, gu...
Baca lebih lanjutMembawa ketukangan ke masa depan.
No.60, Zhenhu North Road, Hudai Town, Daerah Binhu, Wuxi 214100, China







