HJR-2015B
Cat:Resin Roller Conveyor
Lebar roller w (mm) 100 200 300 400 ...
Struktur lanjutan, prestasi berkualiti tinggi, mudah digunakan, kebolehpercayaan dan ketahanan yang tinggi.
Resin roller conveyors typically feature PVC rollers with an integrated resin bearing and axle. The frame options include powder-coated steel, stainless steel, or aluminum. This conveyor type is suitable for light-load items and is also applicable in food, pharmaceutical, and chemical industries.

Lebar roller w (mm) 100 200 300 400 ...
| Lebar roller w (mm) | 100 | 200 | 300 | 400 | 500 | |
| Lebar penghantar w 45 (mm) | 145 | 245 | 345 | 445 | 545 | |
| Memuatkan roller (kg) | 11.5 | 10.7 | 10 | 9.2 | 7.0 | |
| Berat Conveyor 2000L (kg) | 25p | 4.3 | 6.4 | 8.5 | 10.7 | 12.8 |
| 30p | 3.8 | 5.7 | 7.5 | 9.4 | 11.3 | |
| Berat roller (g) | 33 | 55 | 78 | 100 | 12.2 | |

Lebar roller w (mm) 100 200 300 400 ...
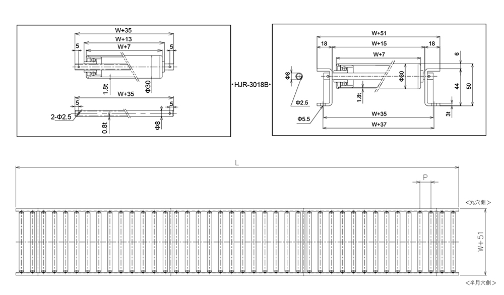
| Lebar roller w (mm) | 100 | 200 | 300 | 400 | |
| Lebar penghantar w 45 (mm) | 145 | 245 | 345 | 445 | |
| Memuatkan roller (kg) | 13.5 | 12.6 | 12.5 | 11.8 | |
| Berat Conveyor 2000L (kg) | 30p | 6.5 | 8.5 | 11 | 19 |
| 40p | 5 | 7.5 | 10 | 12.3 | |
| Berat roller (g) | 50.5 | 75 | 115 | 145 | |

Lebar roller w (mm) 100 200 300 400 ...
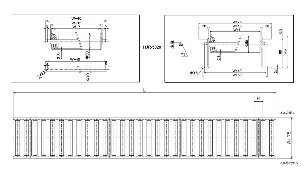
| Lebar roller w (mm) | 100 | 200 | 300 | 400 | 500 | |
| Lebar penghantar w 51 (mm) | 151 | 251 | 351 | 451 | 551 | |
| Memuatkan roller (kg) | 16.5 | 15.7 | 15 | 14.2 | 13.5 | |
| Berat penghantar 1500L (kg) | 40p | 7.2 | 10.8 | 14.5 | 18 | 21.7 |
| 50p | 6.2 | 9.2 | 12.2 | 15.1 | 18.2 | |
| Berat roller (g) | 64 | 106 | 149 | 191 | 235 | |

Lebar roller w (mm) 100 200 300 400 ...
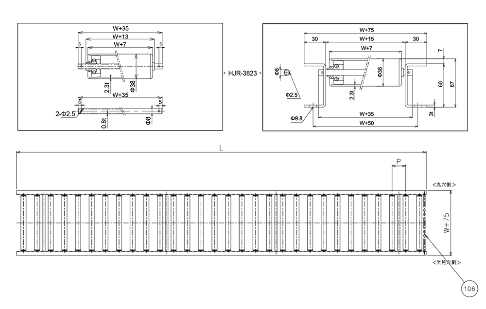
| Lebar roller w (mm) | 100 | 200 | 300 | 400 | 500 | |
| Lebar penghantar w 75 (mm) | 175 | 275 | 375 | 475 | 575 | |
| Memuatkan roller (kg) | 21.5 | 20.8 | 20.1 | 19.5 | 18.6 | |
| 3000L Berat penghantar (kg) | 50p | 11.5 | 15.2 | 18.8 | 22.5 | 26.2 |
| 75p | 9.7 | 12.3 | 14.8 | 17.5 | 20.0 | |
| Berat roller (g) | 91 | 145 | 199 | 253 | 307 | |

Lebar roller w (mm) 100 200 300 400 ...
| Lebar roller w (mm) | 100 | 200 | 300 | 400 | 500 | 600 | |
| Lebar penghantar w 75 (mm) | 175 | 275 | 375 | 475 | 575 | 675 | |
| Memuatkan roller (kg) | 32 | 31 | 30 | 29.5 | 28.5 | 27.7 | |
| 3000L Berat penghantar (kg) | 75p | 13.5 | 17.7 | 22.0 | 26.1 | 30.5 | 34.1 |
| 100p | 12.1 | 15.3 | 18.6 | 21.9 | 25.2 | 27.8 | |
| Berat roller (g) | 148 | 243 | 339 | 435 | 530 | 626 | |

Lebar roller w (mm) 100 200 300 400 ...
| Lebar roller w (mm) | 100 | 200 | 300 | 400 | 500 | 600 | |
| Lebar penghantar w 75 (mm) | 175 | 275 | 375 | 475 | 575 | 675 | |
| Memuatkan roller (kg) | 35 | 34 | 33 | 30 | 29 | 28.5 | |
| 3000L Berat penghantar (kg) | 75p | 14.4 | 19.3 | 24.2 | 29.0 | 34.0 | 38.2 |
| 100p | 12.7 | 16.5 | 20.3 | 23.9 | 27.8 | 30.9 | |
| Berat roller (g) | 172 | 283 | 395 | 506 | 617 | 728 | |
Mengapa Penyelenggaraan Penghantar Roller Secara Terus Menjejas Jangka Hayat Sistem ...
Baca lebih lanjutApa yang Menjadikan Penghantar Penggelek Benar-Benar Bertugas Berat? Penghantar penggele...
Baca lebih lanjutApakah Penghantar Roller dan Mengapa Jenisnya Penting? Penghantar penggelek ial...
Baca lebih lanjutMengapa Penghantar Roller Kekal Tulang Belakang Pengendalian Bahan Penghantar pengge...
Baca lebih lanjutSistem penghantar memindahkan berjuta-juta tan bahan setiap hari merentasi kilang, gu...
Baca lebih lanjutMembawa ketukangan ke masa depan.
No.60, Zhenhu North Road, Hudai Town, Daerah Binhu, Wuxi 214100, China







