W-26ps (dalam)
Cat:Penghantar roda resin
Jenis Saiz roller D*w*d*b Aci Saiz bingkai ...
Struktur lanjutan, prestasi berkualiti tinggi, mudah digunakan, kebolehpercayaan dan ketahanan yang tinggi.

Jenis Saiz roller D*w*d*b Aci Saiz bingkai ...
| Jenis | Saiz roller D*w*d*b | Aci | Saiz bingkai H × W1 × W2 × W3 × T. | Ketinggian H | L.engeh L | Padang roda P | Memuatkan roda tunggal (kg) | Bahan roller |
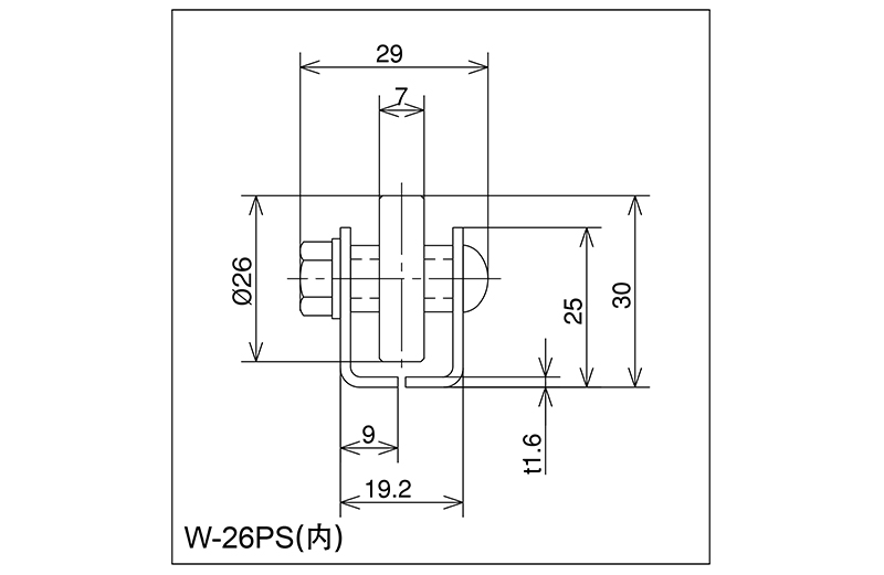
| W-26ps (dalam) | 26 × 8 × 6 × 16 | M6 × 25L | 25 × 19.2 × 9 × 29 × 1.6 | 30 | 1000 · 1500 · 2000 | 30 · 35 | 30 | POM |

Jenis Saiz roller D*w*d*b Aci Saiz bingkai ...
| Jenis | Saiz roller D*w*d*b | Aci | Saiz bingkai H × W1 × W2 × W3 × T. | Ketinggian H | L.engeh L | Padang roda P | Memuatkan roda tunggal (kg) | Bahan roller |
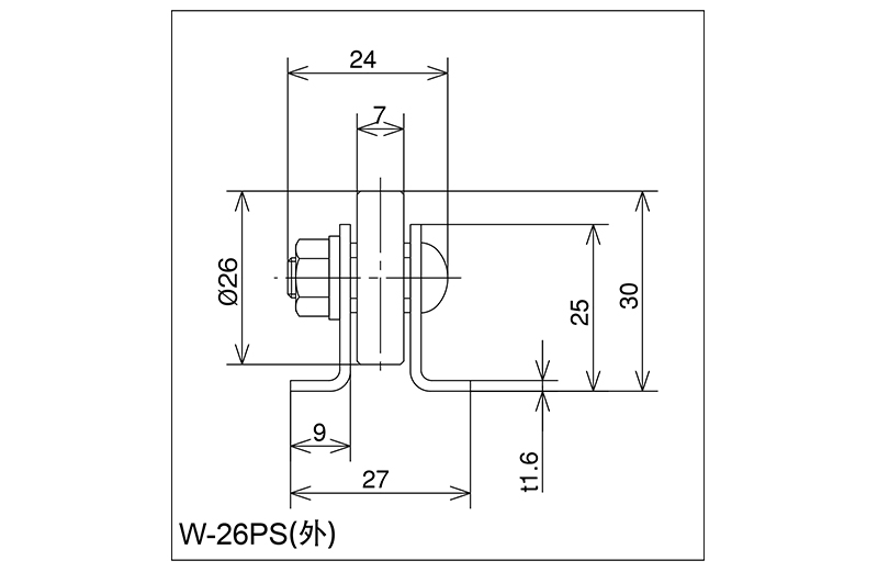
| W-26ps (di luar) | 26 × 8 × 6 × 10 | M6 × 20L | 25 × 28 × 9 × 24 × 1.6 | 30 | 1000 · 1500 · 2000 | 30 · 35 | 30 | POM |

Jenis Saiz roller D*w*d*b Aci Saiz bingkai ...
| Jenis | Saiz roller D*w*d*b | Aci | Saiz bingkai H × W1 × W2 × W3 × T. | Ketinggian H | L.engeh L | Padang roda P | Memuatkan roda tunggal (kg) | Bahan roller |
| W-38GS | 38 × 12 × 6 × 27 | M6 × 38L | 45 × 32.6 × 10 × 42 × 2.3 | 52 | 1800 · 2400 · 3000 | 50 · 75 · 100 · 150 | 30 | POM |

Jenis Saiz roller D*w*d*b Aci Saiz bingkai ...
| Jenis | Saiz roller D*w*d*b | Aci | Saiz bingkai H × W1 × W2 × W3 × T. | Ketinggian H | L.engeh L | Padang roda P | Memuatkan roda tunggal (kg) | Bahan roller |
| WB-36PS | 36 × 9 × 8 × 28 | M8 × 40L | 42.3 × 60 × 32 × 45 × 1.6 2.3 | 49.3 | 1800 · 2400 · 3000 | 50 · 75 · 100 | 10 | POM |

Jenis Saiz roller D*w*d*b Aci Saiz bingkai ...
| Jenis | Saiz roller D*w*d*b | Aci | Saiz bingkai H × W1 × W2 × W3 × T. | Ketinggian H | L.engeh L | Padang roda P | Memuatkan roda tunggal (kg) | Bahan roller |
| SW-38GS | 38 × 12 × 6 × 27 | M6 × 38L | 45 × 31 × 8.5 × 42 × 1.8 | 53 | 1800 · 2400 · 3000 | 50 · 75 · 100 · 150 | 30 | POM |

Jenis Saiz roller D*w*d*b Aci Saiz bingkai ...
| Jenis | Saiz roller D*w*d*b | Aci | Saiz bingkai H × W1 × W2 × W3 × T. | Ketinggian H | L.engeh L | Padang roda P | Memuatkan roda tunggal (kg) | Bahan roller |
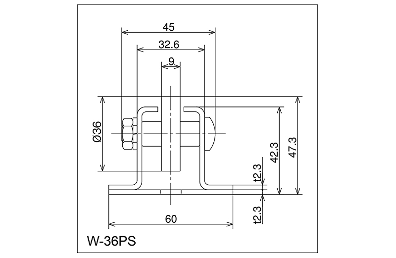
| W-36PS | 36 × 9 × 8 × 28 | M8 × 40L | 42.3 × 60 × 32.6 × 45 × 2.3 | 47.3 | 1800 · 2400 · 3000 | 50 · 75 · 100 · 150 | 10 | POM |

Jenis Saiz roller D*w*d*b Aci Saiz bingkai ...
| Jenis | Saiz roller D*w*d*b | Aci | Saiz bingkai H × W1 × W2 × W3 × T. | Ketinggian H | L.engeh L | Padang roda P | Memuatkan roda tunggal (kg) | Bahan roller |
| W-36pw | 36 × 9 × 8 × 14 | M8 × 55L | 46.3 × 60 × 33 × 71 × 1.6 2.3 | 52.3 | 1800 · 2400 · 3000 | 50 · 75 · 100 · 150 | 10 | Pom |
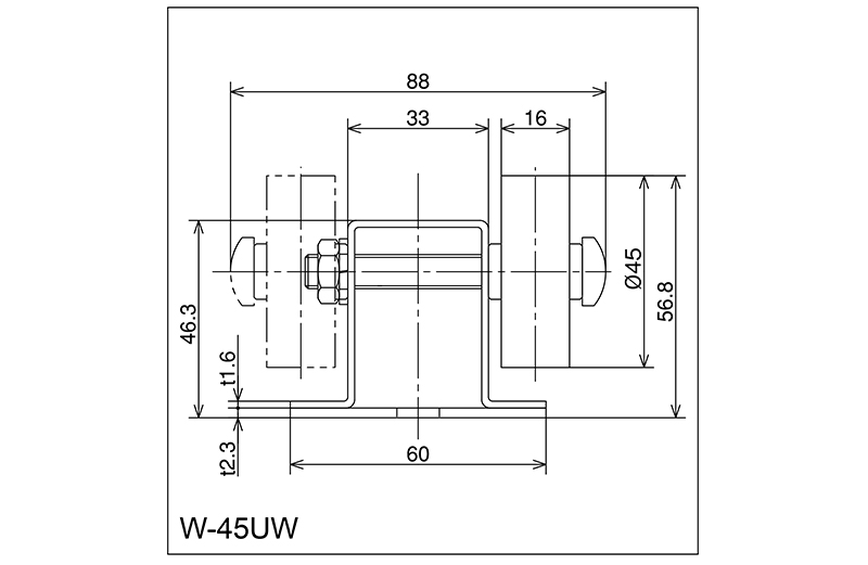
| W-45UW | 45 × 16 × 8 × 22 | M8 × 65L | 46.3 × 60 × 33 × 87 × 1.6 2.3 | 56.8 | 1800 · 2400 · 3000 | 50 · 75 · 100 · 150 | 25 | ABS |

Jenis Saiz roller D*w*d*b Aci Saiz bingkai ...
| Jenis | Saiz roller D*w*d*b | Aci | Saiz bingkai H × W1 × W2 × W3 × T. | Ketinggian H | L.engeh L | Padang roda P | Memuatkan roda tunggal (kg) | Bahan roller |
| W-45UW | 45 × 16 × 8 × 22 | M8 × 65L | 46.3 × 60 × 33 × 87 × 1.6 2.3 | 56.8 | 1800 · 2400 · 3000 | 50 · 75 · 100 · 150 | 25 | ABS |
Mengapa Penyelenggaraan Penghantar Roller Secara Terus Menjejas Jangka Hayat Sistem ...
Baca lebih lanjutApa yang Menjadikan Penghantar Penggelek Benar-Benar Bertugas Berat? Penghantar penggele...
Baca lebih lanjutApakah Penghantar Roller dan Mengapa Jenisnya Penting? Penghantar penggelek ial...
Baca lebih lanjutMengapa Penghantar Roller Kekal Tulang Belakang Pengendalian Bahan Penghantar pengge...
Baca lebih lanjutSistem penghantar memindahkan berjuta-juta tan bahan setiap hari merentasi kilang, gu...
Baca lebih lanjutMembawa ketukangan ke masa depan.
No.60, Zhenhu North Road, Hudai Town, Daerah Binhu, Wuxi 214100, China







