Siri roller dx sehala
Cat:Bola Universal
Tetapkan arah yang betuL.. dan dapat mengarahkan strok panjang. Ia sesuai untuk digunakan tanpa 360 d...
Struktur lanjutan, prestasi berkualiti tinggi, mudah digunakan, kebolehpercayaan dan ketahanan yang tinggi.

Tetapkan arah yang betuL.. dan dapat mengarahkan strok panjang. Ia sesuai untuk digunakan tanpa 360 d...
Tetapkan arah yang betuL.. dan dapat mengarahkan strok panjang.
Ia sesuai untuk digunakan tanpa 360 darjah putaran bebas, atau apabila arah kawalan tidak pasti, sebagai tambahan kepada pekali geseran adalah kecil tetapi dapat mencapai ciri-ciri gerakan jarak jauh.
Ia digunakan terutamanya untuk permukaan pelincir dan alat makan jadual putar dan bergerak objek berat. Ia boleh digunakan untuk gerakan gerakan omboh dan jadual penyampaian.
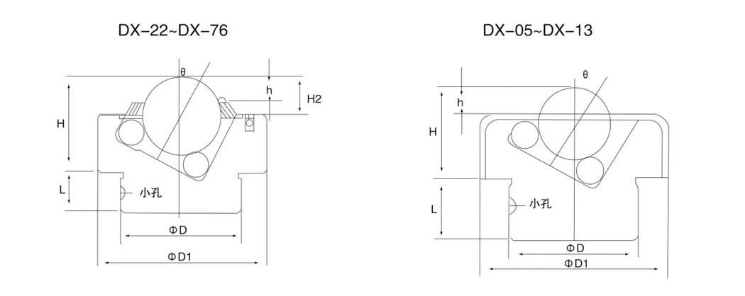
| Mod l | NUMBE r | Utama Bola | θ | H | H2 | h | L | D | D1 | Off-Center | (kg) Berat | (kg) Memuatkan Kapasiti |
| DX-05 | 7101 | 3/16 " | 25 | 5.38 | 1.5 | 1.0 | 5.0 | 8 | 12.2 | 2.5 | 0.005 | 30 |
| DX-06 | 7102 | 1/4 " | 25 | 7.17 | 2.5 | 1.8 | 6.0 | 12 | 16.2 | 2.6 | 0.010 | 40 |
| DX-07 | 7103 | 5/16 " | 25 | 8.97 | 2.0 | 2.0 | 8.0 | 13 | 19.2 | 2.6 | 0.020 | 50 |
| DX-08 | 7104 | 3/8 " | 25 | 12 | 3.0 | 3.0 | 9.0 | 17 | 26.2 | 3.4 | 0.050 | 70 |
| DX-09 | 7105 | 1/2 " | 25 | 15 | 4.0 | 4.0 | 11.0 | 20 | 38.0 | 5.0 | 0.110 | 90 |

ModeL.......... Tidak . ...
| ModeL.......... Tidak . | Bahan | (kg) L.... oading Kapasit y | (kg) Jaring Timbang t | |
| Mencadangkan | Maks. | |||
| NL-8 H | PL/ABS | 2 | 3 | 0.003 |
| ModeL. Tidak | Bahan | (kg) L oading Kapasiti | (kg) Jaring Berat | |
| Mencadangkan | Maks. | |||
| NP-12 | PL./pL. | 5 | 10 | 0.020 |
| ModeL. Tidak | Bahan | (kg) L oading Kapasiti | (kg) Jaring Timbang t | |
| Mencadangkan | Maks. | |||
| NP-15 | PL./pL. | 8 | 15 | 0.030 |
| Model Tidak | Bahan | (kg) Memuatkan Kapasiti | (kg) Jaring Berat | |
| Mencadangkan | Maks. | |||
| NP-22 | Pl/nl | 12 | 20 | 0.060 |
| Model Tidak | Bahan | (kg) L oading Kapasiti | (kg) Jaring Berat | |
| Mencadangkan | Maks. | |||
| NP-25 | Pl/pl | 20 | 30 | 0.100 |
| Model Tidak | Materia l | (kg) Memuatkan Kapasiti | (kg) Jaring Berat | |
| Mencadangkan | Maks . | |||
| NP-30 | PL/ABS | 30 | 40 | 0.180 |
| Model Tidak . | Bahan | (kg) L oading Kapasiti ty | (kg ) Jaring Berat | |
| Mencadangkan | Maks . | |||
| NL-19C | Pl/p L | 10 | 15 | 0.050 |
| SS/PL | 12 | 17 | 0.060 | |
| Model Tidak | Bahan | (kg ) L oading Kapasit y | (kg ) Jaring Berat | |
| Mencadangkan | Maks . | |||
| NL-25C | Pl/p L | 20 | 25 | 0.110 |
| SS/PL | 25 | 30 | 0.125 | |
| Model Tidak | Bahan | (kg) Memuatkan Kapasiti | (kg ) Jaring Berat | |
| Mencadangkan | Maks. | |||
| NL-38C | PL/ABS | 25 | 35 | 0.400 |
| SS/ABS | 30 | 40 | 0.650 | |
| Model Tidak | Bahan | (kg) Memuatkan Kapasiti | (kg ) Jaring Berat | |
| Mencadangkan | Maks. | |||
| NL-19A | PL/ABS | 10 | 15 | 0.050 |
| SS/ABS | 12 | 17 | 0.060 | |
| Model Tidak | Bahan | (kg) L oading Kapasit y | (kg ) Jaring Berat | |
| Mencadangkan | Maks . | |||
| NL-25A | PL/ABS | 20 | 25 | 0.110 |
| SS/ABS | 25 | 30 | 0.125 | |
| Model Tidak | Bahan | (kg) L oading Kapasit y | (kg ) Jaring Berat | |
| Mencadangkan | Maks . | |||
| NL-38A | PL/ABS | 25 | 35 | 0.400 |
| SS/ABS | 30 | 40 | 0.650 | |
| Model Tidak | Materia l | (kg) L oading Kapasiti | (kg) Jaring Berat | |
| Mencadangkan | Maks . | |||
| NL-19b | PL/ABS | 10 | 15 | 0.050 |
| SS/ABS | 12 | 17 | 0.060 | |
| Model Tidak | Materia l | (kg) L oading Kapasiti | (kg) Jaring Berat | |
| Mencadangkan | Maks . | |||
| NL-25B | PL/ABS | 20 | 25 | 0.110 |
| SS/ABS | 25 | 30 | 0.125 | |
| Model | Materia l | (kg ) Memuatkan Kapasiti | (kg) Jaring Berat | ||
| Mencadangkan | Maks . | ||||
| NL-38B | PL/ABS | 25 | 35 | 0.410 | |
| Model Tidak | Materia l | (kg ) L oading Kapasiti | (kg) Jaring Berat | |
| Mencadangkan | Maks . | |||
| NL-25AA | PL/ABS | 15 | 20 | 0.050 |
| Model Tidak | Materia l | (kg) Memuatkan Kapasiti | (kg) Jaring Timbang t | |
| Mencadangkan | Maks . | |||
| NL-22AA | PL/ABS | 8 | 15 | 0.050 |
| Model Tidak | Materia l | (kg) Memuatkan Kapasiti | (kg) Jaring Timbang t | |
| Mencadangkan | Maks . | |||
| NL-16AA | PL/ABS | 8 | 10 | 0.035 |

Model No. Id Pemuatan tunggal Memuatkan yang dibenar...
| Model No. | Id | Pemuatan tunggal | Memuatkan yang dibenarkan | Berat |
| Fb-001 | 8801 | 5kg | 8kg | 60g |
| Model No. | Id | Pemuatan tunggal | Memuatkan yang dibenarkan | Berat |
| Fb-002 | 8803 | 100kg | 150kg | 720g |
| Model No. | Id | Pemuatan tunggal | Memuatkan yang dibenarkan | Berat |
| Fb-003 | 8805 | 80kg | 100kg | 1.2kg |
| Model No. | Id | Pemuatan tunggal | Memuatkan yang dibenarkan | Berat |
| FB-004 | 8807 | 35kg | 40kg | 150g |
| Model No. | Id | Pemuatan tunggal | Memuatkan yang dibenarkan | Berat |
| FB-005 | 8809 | 250kg | 300kg | 1.7kg |
| Model No. | Id | Pemuatan tunggal | Memuatkan yang dibenarkan | Berat |
| FB-006 | 8802 | 300kg | 350kg | 3.2kg |
| Model No. | Id | Pemuatan tunggal | Memuatkan yang dibenarkan | Berat |
| FB-007 | 8804 | 400kg | 500kg | 2.62kg |
| Model No. | Id | Pemuatan tunggal | Memuatkan yang dibenarkan | Berat |
| FB-008 | 8806 | 350kg | 450kg | 2.2kg |
| Model No. | Id | Pemuatan tunggal | Memuatkan yang dibenarkan | Berat |
| FB-009 | 8808 | 1500kg | 2000kg | 6.5kg |
| Model No. | Id | Pemuatan tunggal | Memuatkan yang dibenarkan | Berat |
| FB-010 | 8810 | 300kg | 350kg | 6.5kg |
| Model No. | Id | Pemuatan tunggal | Memuatkan yang dibenarkan | Berat |
| FB-011 | 8811 | 100g | 150kg | 210g |
| Model No. | Id | Pemuatan tunggal | Memuatkan yang dibenarkan | Berat |
| FB-012 | 8813 | 200kg | 250k g | 480g |
| Model No. | Id | Pemuatan tunggal | Memuatkan yang dibenarkan | Berat |
| FB-013 | 8815 | 80kg | 100kg | 370g |
| Model No. | Id | Pemuatan tunggal | Memuatkan yang dibenarkan | Berat |
| FB-014 | 8817 | 10kg | 15kg | 70g |
| Model No. | Id | Pemuatan tunggal | Memuatkan yang dibenarkan | Berat |
| FB-015 | 8819 | 30kg | 40kg | 40g |
| Model No. | Id | Pemuatan tunggal | Memuatkan yang dibenarkan | Berat |
| FB-016 | 8812 | 10kg | 12kg | 140g |
| Model No. | Id | Pemuatan tunggal | Memuatkan yang dibenarkan | Berat |
| FB-017 | 8814 | 15kg | 20kg | 90g |
| Model No. | Id | Pemuatan tunggal | Memuatkan yang dibenarkan | Berat | |
| FB-018 | 8816 | 15kg | 20kg | 110G | |
| Model No. | Id | Pemuatan tunggal | Memuatkan yang dibenarkan | Berat |
| FB-019 | 8818 | 150kg | 200kg | 290g |
| Model No. | Id | Pemuatan tunggal | Memuatkan yang dibenarkan | Berat |
| FB-020 | 8820 | 200kg | 250kg | 250g |
| Model No. | Id | Pemuatan tunggal | Memuatkan yang dibenarkan | Berat |
| FB- 021 | 8821 | 250kg | 300kg | 320g |
| Model No. | Id | Pemuatan tunggal | Memuatkan yang dibenarkan | Berat |
| FB-022 | 8823 | 250kg | 300kg | 450g |
| Model No. | Id | Pemuatan tunggal | Memuatkan yang dibenarkan | Berat | ||
| FB-023 | 8825 | 200kg | 250kg | 600g | ||
| Model No. | Id | Pemuatan tunggal | Memuatkan yang dibenarkan | Berat |
| FB-024 | 8827 | 200kg | 250kg | 1.4kg |
| Model No. | Id | Pemuatan tunggal | Memuatkan yang dibenarkan | Berat |
| FB- 025 | 8829 | 250kg | 300kg | 430g |
| Model No. | Id | Pemuatan tunggal | Memuatkan yang dibenarkan | Berat |
| FB- 026 | 8822 | 600kg | 800kg | 2.5kg |
| Model No. | Id | Pemuatan tunggal | Memuatkan yang dibenarkan | Berat |
| FB-027 | 8824 | 400kg | 500kg | 1.5kg |
| Model No. | Id | Pemuatan tunggal | Memuatkan yang dibenarkan | Berat |
| FB-028 | 8826 | 400kg | 450kg | 890g |
| Model No. | Id | Pemuatan tunggal | Memuatkan yang dibenarkan | Berat |
| Custom-029 | 8828 | 20kg | 30kg | 330kg |
| Model No. | Id | Pemuatan tunggal | Memuatkan yang dibenarkan | Berat |
| adat-030 | 8830 | 1 0kg | 15kg | 110g |

Model Tidak (kg) memua...
| Model Tidak | (kg) memuatkan Kapasit y | ( mm ) Dimensi | (kg) Berat | |||||||
| Bahan | Mencadangkan | Maks . | ||||||||
| d | D | D1 | H | H1 | H2 | |||||
| BCHA7.5 | SS/SS | 2 | 3 | 4 | 9 | 7.5 | 6.1 | 1.1 | 4 | 0.005 |
| BCHA9 | SS/SS | 3 | 4 | 4.76 | 11 | 9 | 7.2 | 1.2 | 5 | 0.008 |
| BCHA11 | SS/SS | 4 | 5 | 5.56 | 13 | 11 | 8.5 | 1.5 | 6 | 0.010 |
| BCHA15 | SS/SS | 6 | 7 | 8.73 | 17 | 15 | 12.5 | 2.5 | 9 | 0.015 |
| BCHA18 | SS/SS | 8 | 10 | 10.32 | 20 | 18 | 14.5 | 3.5 | 10 | 0.030 |
| BCHA24 | SS/SS | 12 | 18 | 15.87 | 26 | 24 | 20.8 | 5.3 | 14 | 0.060 |
| BCHA30 | SS/SS | 15 | 20 | 19.05 | 32 | 30 | 25.3 | 6.3 | 17 | 0.185 |

Model Tidak (kg) memua...
| Model Tidak | (kg) memuatkan Kapasit y | (mm) Dimensi | ||||||||||
| Bahan | Mencadangkan | Maks . | ||||||||||
| d | D | D1 | H | H1 | H2 | t | P | a | ||||
| BCHF27 | SS/SS | 6 | 7 | 8.73 | 27 | 15 | 12 | 2.5 | 9.5 | 2 | 21 | 3.5 |
| BCHF30 | SS/SS | 8 | 10 | 10.32 | 30 | 18 | 15 | 3.5 | 11.5 | 2 | 24 | 3.5 |
| BCHF39 | SS/SS | 12 | 18 | 15.87 | 39 | 24 | 20 | 5.3 | 14.7 | 3 | 31.5 | 4.5 |
| BCHF48 | SS/SS | 15 | 20 | 19.05 | 48 | 30 | 25 | 6.3 | 18.7 | 4 | 39 | 5.5 |

Model Tidak (kg) memua...
| Model Tidak | (kg) memuatkan Kapasiti | (mm) Dimensi s | ||||||||
| Bahan | Sugeskan t | Maks . | ||||||||
| d | H | H1 | H2 | M | L. | S | ||||
| BCHL5 | SS/SS | 2 | 3 | 4 | 12.1 | 1.1 | 5 | 5 | 6 | 8 |
| Bchl6 | SS/SS | 3 | 4 | 4.76 | 15.2 | 1.2 | 6 | 6 | 8 | 10 |
| BCHL8 | SS/SS | 4 | 5 | 5.56 | 18.5 | 1.5 | 7 | 8 | 10 | 13 |
| BCHL10 | SS/SS | 6 | 7 | 8.73 | 24.5 | 2.5 | 10 | 10 | 12 | 17 |
| BCHL12 | SS/SS | 8 | 10 | 10.32 | 29.5 | 3.5 | 11 | 12 | 15 | 19 |
| BCHL16 | SS/SS | 12 | 18 | 15.87 | 40.3 | 5.3 | 15 | 16 | 20 | 24 |
| BCHL20 | SS/SS | 15 | 20 | 19.05 | 49.3 | 6.3 | 18 | 20 | 25 | 30 |

Model Tidak (kg) memua...
| Model Tidak | (kg) memuatkan Kapasiti | ( mm ) Dimensi | ||||||||
| Bahan | Mencadangkan | Maks . | ||||||||
| d | D1 | H | H1 | H2 | M | L. | ||||
| BCHN12 | SS/SS | 4 | 5 | 5.56 | 12 | 23 | 1.5 | 6.5 | 6 | 15 |
| BCHN16 | SS/SS | 6 | 7 | 8.73 | 16 | 27 | 2.5 | 9.5 | 6 | 15 |
| BCHN19 | SS/SS | 8 | 10 | 10.32 | 19 | 35 | 3.5 | 11.5 | 8 | 20 |
| BCHN25 | SS/SS | 12 | 18 | 15.87 | 25 | 40 | 5.3 | 14.7 | 8 | 20 |
| BCHN31 | SS/SS | 15 | 20 | 19.05 | 31 | 50 | 6.3 | 18.7 | 10 | 25 |

Model Tidak (kg) memua...
| Model Tidak | (kg) memuatkan Kapasiti | (mm) Dimensi | (kg) Berat | ||||||||||
| Bahan | Mencadangkan | Maks. | |||||||||||
| d | D | H | H1 | H2 | M | L. | P | a | |||||
| BCHM10 | SS/SS | 6 | 7 | 8.73 | 18.5 | 24.5 | 2.5 | 10 | 10 | 12 | 15.4 | 2 | 0.060 |
| BCHM12 | SS/SS | 8 | 10 | 10.32 | 22 | 29.5 | 3.5 | 11 | 12 | 15 | 18.5 | 2 | 0.070 |
| BCHM16 | SS/SS | 12 | 18 | 15.87 | 27 | 40.3 | 5.3 | 15 | 16 | 20 | 24 | 2.5 | 0.090 |
| BCHM20 | SS/SS | 15 | 20 | 19.05 | 33 | 49.3 | 6.3 | 18 | 20 | 25 | 29.6 | 2.5 | 0.140 |

Model Tidak (kg) memua...
| Model Tidak | (kg) memuatkan Kapasiti | (mm) Dimensi | |||||||
| Bahan | Mencadangkan | Maks. | |||||||
| d | D | H | H1 | M | S | ||||
| BCSB8 | SS/SS | 3 | 4 | 4.76 | 5 | 14 | 1.3 | 8 | 4 |
| BCSB10 | SS/SS | 3 | 4 | 4.76 | 7 | 16 | 1.2 | 10 | 5 |
| BCSB12 | SS/SS | 4 | 5 | 5.56 | 8 | 20 | 1.5 | 12 | 6 |
| BCSB16 | SS/SS | 6 | 7 | 8.73 | 12 | 25 | 2.5 | 16 | 8 |
| BCSB20 | SS/SS | 8 | 10 | 10.32 | 15 | 30 | 3.5 | 20 | 10 |

Model Tidak (kg) Kapas...
| Model Tidak | (kg) Kapasiti memuatkan | (mm) Dimensi | ||||||||
| Bahan | Mencadangkan | Aax. | ||||||||
| d | D | D1 | H | H1 | H2 | R | ||||
| BCHP14 | SS/SS | 4 | 5 | 5.56 | 16 | 14 | 18.5 | 1.5 | 14 | 1.5 |
| BCHP18 | SS/SS | 6 | 7 | 8.73 | 20 | 18 | 23 | 2.5 | 17 | 2 |
| BCHP22 | SS/SS | 8 | 10 | 10.32 | 24 | 22 | 28.5 | 3.5 | 21.5 | 2 |
Model Tidak (kg) memua...
| Model Tidak | (kg) memuatkan Kapasiti | (mm) Dimensi | |||||||||||||
| Bahan | Mencadangkan | Maks. | |||||||||||||
| d | D | D1 | H | H1 | H2 | M | 牙距 细牙 | L. | R | p | a | ||||
| BCHPT16 | SS/SS | 4 | 5 | 5.56 | 19 | 13.5 | 18.2 | 1.5 | 14 | 16 | 1.5 | 9 | 1.2 | 15.4 | 2 |
| BCHPT20 | SS/SS | 6 | 7 | 8.73 | 24 | 16.5 | 23 | 2.5 | 17 | 20 | 1.5 | 10 | 2 | 18.5 | 2 |
| BCHPT24 | SS/SS | 8 | 10 | 10.32 | 28 | 20.5 | 28.5 | 3.5 | 21.5 | 24 | 1.5 | 12 | 2 | 24 | 2.5 |

Rak Aisle ...
|
Rak Aisle Sesuai untuk menyimpan beberapa kepelbagaian atau kuantiti yang besar.
| |
|
Mengapa Penyelenggaraan Penghantar Roller Secara Terus Menjejas Jangka Hayat Sistem ...
Baca lebih lanjutApa yang Menjadikan Penghantar Penggelek Benar-Benar Bertugas Berat? Penghantar penggele...
Baca lebih lanjutApakah Penghantar Roller dan Mengapa Jenisnya Penting? Penghantar penggelek ial...
Baca lebih lanjutMengapa Penghantar Roller Kekal Tulang Belakang Pengendalian Bahan Penghantar pengge...
Baca lebih lanjutSistem penghantar memindahkan berjuta-juta tan bahan setiap hari merentasi kilang, gu...
Baca lebih lanjutAdakah Wuxi Huiqian Logistik Jentera Pengilangan Co., Ltd. penghantar palet Menyokong pelbagai saluran untuk mengendalikan pelbagai jenis palet pada masa yang sama?
Di dunia logistik dan pengendalian bahan yang pantas, kecekapan dan kebolehsuaian adalah yang paling penting. Perniagaan memerlukan sistem yang bukan sahaja memenuhi keperluan segera mereka tetapi juga menawarkan skalabiliti, kebolehpercayaan, dan fleksibiliti untuk mengendalikan pelbagai jenis barang dan permintaan operasi. Salah satu penyelesaian sedemikian ialah Wuxi Huiqian Logistics Machinery Manufacturing Co., Ltd.'s Inovative Pallet Conveyor Systems, yang direka untuk menyelaraskan pergerakan bahan merentas pelbagai industri. Tetapi persoalannya tetap: Bolehkah penghantar palet mereka menyokong pelbagai saluran untuk mengendalikan pelbagai jenis palet secara serentak?
Fleksibiliti dalam reka bentuk: teras logistik yang cekap
Di tengah -tengah barisan produk Wuxi Huiqian adalah maju mereka penghantar palet Sistem, penyelesaian kejuruteraan yang teliti yang menjadi bukti komitmen syarikat untuk menggabungkan teknologi Jepun dengan teknik pembuatan canggih. Sistem ini dibina untuk menawarkan kebolehsuaian yang tiada tandingan dalam persekitaran permintaan tinggi. Sama ada aplikasi tugas berat atau persediaan yang lebih halus, ringan, sistem boleh disesuaikan untuk mengendalikan palet pelbagai saiz, berat, dan jenis.
Kekuatan sebenar Wuxi Huiqian Barisan pemasangan penghantar Sistem terletak pada keupayaan mereka untuk beroperasi dengan pelbagai saluran, memastikan bahawa pelbagai jenis palet dapat diuruskan secara serentak. Fungsi pelbagai saluran ini penting untuk gudang, kemudahan pembuatan, dan pusat pengedaran di mana operasi sering memerlukan pengangkutan serentak jenis pallet yang pelbagai. Sama ada berurusan dengan barangan yang besar, besar atau lebih kecil, barang yang lebih rapuh, sistem penghantar boleh disesuaikan untuk memenuhi keperluan unik ini dengan kecekapan yang luar biasa.
Penyesuaian memenuhi ketepatan
Wuxi Huiqian sangat bangga dengan menawarkan penyelesaian penghantar yang sangat disesuaikan. Tumpuan mereka terhadap reka bentuk modular memastikan bahawa sistem mereka dapat dikonfigurasikan untuk memenuhi keperluan operasi tertentu, termasuk pengendalian serentak jenis palet yang berbeza di lorong yang berbeza. Ini amat bermanfaat dalam industri seperti pembuatan automotif, elektronik, dan pengagihan makanan, di mana variasi dalam dimensi palet dan jenis produk boleh mencipta cabaran logistik yang kompleks.
Tambahan pula, komitmen Wuxi Huiqian terhadap kualiti ditegaskan oleh penggunaan peralatan pemprosesan canggih dan sistem pengurusan kualiti yang ketat. Setiap komponen, dari penggelek ke bingkai, dibuat dengan standard tertinggi, memastikan bukan hanya fungsi tetapi ketahanan jangka panjang. Apabila diintegrasikan ke dalam operasi anda, sistem penghantar memberikan aliran bahan yang lancar, menghapuskan kesesakan dan meningkatkan kecekapan throughput.
Teknologi Lanjutan untuk Penyelesaian Siap Masa Depan
Sebagai pemimpin dalam sektor pembuatan jentera logistik, Wuxi Huiqian terus berinovasi, memastikan sistem penghantar mereka tidak hanya boleh dipercayai hari ini tetapi bersedia untuk menyesuaikan diri dengan tuntutan rantaian bekalan esok. Penggunaan teknologi canggih seperti automasi dan penjejakan masa nyata terus meningkatkan prestasi penghantar palet mereka, membolehkan perniagaan memantau dan mengawal aliran bahan mereka dengan ketepatan yang tepat.
Bagi syarikat-syarikat yang mencari operasi masa depan mereka, penyelesaian Wuxi Huiqian menawarkan kelebihan yang tidak ternilai. Sistem mereka boleh diintegrasikan dengan mudah dengan teknologi automasi lain, yang menawarkan skalabiliti dan kebolehsuaian yang memastikan kecekapan berterusan walaupun permintaan logistik berkembang.
Sokongan selepas jualan dan pendekatan pelanggan yang berpusatkan
Pembezaan utama untuk Wuxi Huiqian adalah dedikasi mereka terhadap kepuasan pelanggan. Selain menyampaikan produk berkualiti tinggi, mereka memberi penekanan yang signifikan terhadap perkhidmatan selepas jualan, memberikan sokongan teknikal dan panduan profesional sepanjang kitaran hayat sistem mereka. Komitmen ini memastikan setiap pelanggan menerima nilai penuh dari pelaburan mereka, dengan penyelesaian yang disesuaikan dan sokongan berterusan untuk mengendalikan walaupun keperluan logistik yang paling kompleks.
Penyelesaian holistik untuk logistik moden
Kesimpulannya, Wuxi Huiqian Logistices Machinery Manufacturing Co., Ltd. menonjol sebagai rakan kongsi yang dipercayai dalam bidang pengendalian bahan, terutamanya untuk industri yang memerlukan sistem penghantar palet maju, disesuaikan dan cekap. Sistem penghantar pelbagai saluran mereka, yang direka untuk mengendalikan pelbagai jenis palet secara serentak, mewakili penyelesaian yang canggih yang memenuhi tuntutan operasi logistik moden.
Sekiranya anda mencari rakan kongsi yang mampu meningkatkan kecekapan logistik anda dan menyampaikan penyelesaian yang berskala, sistem penghantar palet Wuxi Huiqian adalah lebih daripada sekadar produk-mereka adalah pelaburan dalam kejayaan operasi jangka panjang perniagaan anda.
Membawa ketukangan ke masa depan.
No.60, Zhenhu North Road, Hudai Town, Daerah Binhu, Wuxi 214100, China